形状与位置公差
形位公差包括形状公差和位置公差 。形状公差是指单一实际要素的形状所允许的变动全量 。位置公差是指关联实际要素的位置对基准所允许的变动全量 。
依据国家标准GB/T1182-2008《产品几何技术规范(GPS)几何公差 形状、方向、位置和跳动公差标注》,形状公差和位置公差特征项目和符号标注如下图所示:

【形位公差包含哪些】
形位公差的研究对象是零件的几何要素,就是零件几何要素本身的形状精度和有关要素之间相互的位置精度问题 。零件几何要素由点、线、面构成 。具体包括点(圆心、球心、中心点、交点)、线(素线、曲线、轴线、中心线、引线)、面(平面、曲面、圆柱面、圆锥面、球面、中心平面)等,如下图所示零件的球心、锥顶,圆柱面和圆锥面的素线、轴线,球面、圆柱面和圆锥面 。

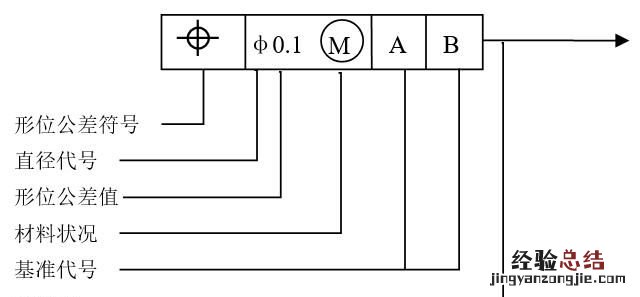
在技术图样中,形位公差采用代号标注形式 , 如图下图所示 。形位公差的基本内容在公差框格内给出 。公差框格分为两格或多格,可水平绘制或垂直绘制 。

