2、LabVIEW调用 Mask R-CNN (mask rcnn.vi)注意:Mask R-CNN模型是没办法使用OpenCV dnn去加载的,因为有些算子不支持,所以我们主要使用LabVIEW开放神经网络交互工具包(ONNX)来加载推理模型 。
- onnxruntime调用onnx模型并选择加速方式

文章插图
- 图像预处理

文章插图
- 执行推理我们使用的模型是:maskrcnn_resnet50_fpn,其输出有四层,分别为boxes,labels,scores,masks,数据类型如下:

文章插图
- 可以看到,labels的类型为INT64,所以我们的源码中需要“Get_Rresult_int64.vi,index为1,因为labels为第二层,即下标为1;

文章插图
- 另外三个输出我们都可以使用float32来获取了,masks虽然数据类型是uint8,但在实操过程中发现,它其实做过归一化处理了,也可以使用float32.

文章插图
- 后处理并实现实例分割 因为后处理内容较多,所以直接封装为了一个子VI,mask_rcnn_post_process.vi,源码如下:

文章插图
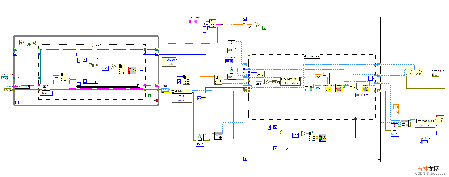
- 整体的程序框架如下:

文章插图

文章插图
- 实例分割结果如下,我们会发现这个模型跑起来,他花的时间比之前就更长了 。因为他不但要获取每一个对象的区域,还要也要把这个区域的轮廓给框出来,我们可以看到五个人及篮球都框出来了,使用不同的颜色分割出来了 。

文章插图
3、LabVIEW调用 Mask R-CNN 实现实时图像分割(mask rcnn_camera.vi)整体思想和上面检测图片的实力分割差不多,不过使用了摄像头,并加了一个循环,对每一帧对象进行实力分割,3080系列显卡可选择TensorRT加速推理,分割会更加流畅 。我们发现这个模型其实很考验检测数量的,所以如果你只是对人进行分割,那可以选择一个干净一些的背景,整体检测速度就会快很多 。

文章插图

文章插图
四、Mask-RCNN训练自己的数据集(检测行人)1.准备工作
- 训练需要jupyterlab环境,没有安装的同学需要通过pip install jupyterlab 安装
- 如果无法解决jupyterlab环境 可以使用colab或者kaggle提供的免费gpu环境进行训练
- 训练源码:mask-rcnn.ipynb
- 根据提示运行这段代码,自动或手动下载依赖文件数据集并建立数据集解析类

文章插图
- 定义单轮训练的函数:网络结构直接采用torchvison里现有的,不再重新定义

文章插图
- 出现如下输出表示训练进行中
经验总结扩展阅读
- 使用 StringUtils.split 的坑
- 薇姿的精华液适合什么年龄的人使用?
- 书名号使用方法 书名号用法
- 华帝电热水器质量好吗 华帝电热水器使用教程
- 冰箱风冷无霜的优缺点 使用效果好不好
- Java Timer使用介绍
- 液晶电视机选购技巧 教你选购使用与维护电视机
- SpringBoot 常用注解的原理和使用
- 椰浆稀释用热水还是冻水
- 毛巾发黄怎么洗又干净又软
