化妆品 迎风而起的医美化妆品,有多大的想象空间!( 二 )

文章插图

文章插图
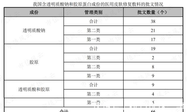
此前,广州冰泉化妆品科技有限公司总经理程英奇曾在朋友圈透露,冰泉的化妆品连锁渠道商李总在与之交流时表示,现在的化妆品店形成了四类新商品结构,其中一类便是高价医美体验商品。在当下的医美化妆品市场,除却原本医美术后需皮肤修复的医美人群,具有痤疮、皮炎等皮肤问题的人群、敏感肌肤的日常修护和追求功能性护肤的普通消费者,已经成为了医美化妆品市场的主要成长拉动力。然而,虽然消费群体不断扩大,消费频次持续提升,但纵观目前的医美化妆品竞争格局,如上文所提及,仍是集中在敷尔佳、创福康、荣晟、可孚、可复美、芙清/芙芙、绽妍等品牌,其中,敷尔佳市场占有率领先明显。据淘宝数据显示,2020年5月-2021年4月敷尔佳天猫旗舰店GMV达6.8亿,可复美、创福康则为3.7、2.1亿。值得注意的是,虽然从占有率来看,敷尔佳保持“龙头”地位,但从成分和技术壁垒分析,前7大品牌中包括敷尔佳在内的5家品牌的主要成分均为透明质酸钠,只有创福康的主要成分为胶原蛋白,可复美的主要成分为类人胶原蛋白。并且,截至2020年6月30日,我国含透明质酸钠的医用敷料管理中没有Ⅲ类批文,含胶原蛋白的敷料的Ⅲ类批文有且只有三个,其中国内企业2家,创福康的母公司创尔生物便是其中一家。

文章插图
成分和技术上的壁垒给创福康带来的独家优势也是显而易见。据新妆快讯显示,其母公司创尔生物也于2020年12月中旬开启资本市场之旅,成为“械字号第一股”。可以预见,成功登陆资本市场之后,创福康也将迎来新一波的发展。此外,为满足品牌生存发展,诸多医美品牌纷纷在“械字号”系列的深研之外,通过扩宽产品线,以更加多样化、品类更加丰富的产品,挖掘品牌的增长潜力。如敷尔佳在“械字号”的布局外,还开发了“妆字号”水乳、喷雾、精华、祛痘系列(涂抹式面膜、祛痘凝胶)等多维产品,减少对于“械字号”产品的的依赖程度。芙清,更是在“械字号”之外,凭借专注痘痘肌的市场定位,成为国内功效性祛痘赛道的头部品牌。截止目前(8月13日),芙清天猫官方旗舰店的粉丝量已达348万,其他6个品牌中粉丝量最多的为敷尔佳天猫官方旗舰店,有210万。

文章插图
在这些“专业”医美化妆品选手向外“突围”的同时,也有一部分大众品牌在发力医美化妆品市场,其中较为典型的是华熙生物,不仅旗下润百颜医美线中推出械字号产品,副品牌米蓓尔也是定位医美术后及敏感肌修复。此外,欧诗漫、薇诺娜等品牌也都有涉及医美化妆品市场。 END:从变美到医美,消费者对于美的追求从未停歇,医美赛道上的竞争也是日趋激烈,而归根结底,医美化妆品市场的繁华背后,是消费市场对于功效型护肤的强劲需求。新一代的消费主力受教育程度高、消费实力更强劲也更“舍得”,对产品本身的功效性以及安全性诉求更加强烈,功效型化妆品正迎来行业发展机遇期。
经验总结扩展阅读
- 化妆品主持人春妮背免费布包上班!一个化妆包用7年,过期化妆品不舍扔
- 护肤品 国产化妆品哪个牌子好 十款最好用的国产护肤品排行榜
- 化妆品包装盒厂家告诉你,医美化妆品包装盒定制也可以设计成这样
- 温漾 国产化妆品哪个牌子好 十款最好用的国产护肤品排行榜
- 直播间沈涛视频展示老婆梳妆台,吐槽囤太多化妆品,老婆:女人的安全感
- 防水同为化妆品,为什么彩妆要卸妆而水乳精华不用?
- 环保化妆品瓶回收现状与发展趋势
- Vanish闪闪发光的皮肤:用这件化妆品5 分钟内为底妆增添光泽!
- 化妆品化妆品成分检测误区有哪些?
- 化妆品 “美男刘海”帅气十足,奋豆“新皇登基”垂帘听政,阿星:太猛了
